產品介紹:
300X封閉式止回閥是一種智能閥門,安裝在高層建築供水係統和其他供水係統的水泵出口處,可防止介質回流、水錘和水錘現象。該閥門具備電動閥門、換向閥和水錘清除器三種功能,可有效提高供水係統的安全性和可靠性。集成了慢開、快關、慢關消除錘擊的技術原理,防止泵錘和泵錘的發生。隻需操作泵電機開合按鈕。閥門可按泵操作程序自動開關,流量大,壓力損失小。適用於600口徑以下的閥門。
產品特性:
止回閥由主閥門和外部控製閥組成。主閥門內部有兩個首鋼,膜下腔是壓力調節室。泵停止工作時,閥的自重、主閥彈簧作用力、水廠和汙水腔的壓力作用力(泵停止工作時,下水腔壓力會迅速減少,但水廠壓力減少相對緩慢)導致閥板快速關閉90%,剩下的10%由導管將閥後壓力輸送到水廠,隨著水廠壓力的增加,閥門關閉。
主要零部件:
零件名稱 | 零件材料 |
閥體閥蓋 | WCB |
閥座閥盤 | 銅合金 |
密封圈 O型圈 | 丁腈橡膠 |
閥杆 | 2Cr13 |
彈簧 | 50CrVA |
針型閥 | 銅合金 |
球閥 | 銅合金 |
浮球閥 | 銅合金 |
微型過濾器 | 不鏽鋼 |
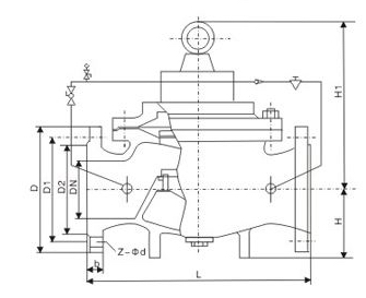
DN | L | A | A1 | H | H1 | F | D | D1 | D2 | |||||||
mm | mm | mm | mm | mm | mm | PN1.0 | PN1.6 | PN2.5 | PN1.0 | PN1.6 | PN2.5 | PN1.0 | PN1.6 | PN2.5 | ||
20 | 180 | 282 | 200 | 172 | 106 | 116 | 105 | 105 | 105 | 75 | 75 | 75 | 58 | 58 | 56 | |
25 | 180 | 282 | 200 | 172 | 106 | 116 | 115 | 115 | 115 | 85 | 85 | 85 | 68 | 68 | 65 | |
32 | 180 | 282 | 200 | 172 | 106 | 116 | 140 | 140 | 140 | 100 | 100 | 100 | 78 | 78 | 76 | |
40 | 240 | 320 | 210 | 265 | 210 | 170 | 150 | 150 | 150 | 110 | 110 | 110 | 88 | 88 | 84 | |
50 | 240 | 320 | 210 | 265 | 210 | 170 | 165 | 165 | 165 | 125 | 125 | 125 | 102 | 102 | 99 | |
65 | 250 | 330 | 215 | 310 | 215 | 180 | 185 | 185 | 185 | 145 | 145 | 145 | 122 | 122 | 118 | |
80 | 285 | 350 | 220 | 350 | 245 | 210 | 200 | 200 | 200 | 160 | 160 | 160 | 133 | 133 | 132 | |
100 | 360 | 410 | 230 | 460 | 305 | 275 | 220 | 220 | 235 | 180 | 180 | 190 | 158 | 158 | 156 | |
125 | 400 | 420 | 245 | 520 | 365 | 310 | 250 | 250 | 270 | 210 | 210 | 220 | 184 | 184 | 184 | |
150 | 455 | 430 | 260 | 570 | 415 | 355 | 285 | 285 | 300 | 240 | 240 | 250 | 212 | 212 | 211 | |
200 | 585 | 440 | 280 | 695 | 510 | 460 | 340 | 340 | 360 | 295 | 295 | 310 | 268 | 268 | 274 | |
250 | 650 | 450 | 300 | 780 | 560 | 500 | 395 | 405 | 425 | 350 | 355 | 370 | 320 | 320 | 330 | |
300 | 800 | 460 | 320 | 902 | 658 | 580 | 445 | 460 | 485 | 400 | 410 | 430 | 370 | 370 | 389 | |
350 | 860 | 470 | 340 | 1025 | 696 | 640 | 505 | 520 | 555 | 460 | 470 | 490 | 430 | 430 | 448 | |
400 | 960 | 480 | 360 | 1080 | 735 | 715 | 565 | 580 | 620 | 515 | 525 | 550 | 482 | 482 | 503 | |
450 | 1075 | 530 | 395 | 1030 | 610 | 780 | 615 | 640 | 670 | 565 | 585 | 600 | 532 | 550 | 548 | |
500 | 1075 | 580 | 420 | 1135 | 665 | 830 | 670 | 715 | 730 | 620 | 650 | 660 | 585 | 585 | 609 | |
600 | 1230 | 600 | 445 | 1270 | 725 | 920 | 780 | 840 | 845 | 725 | 770 | 770 | 685 | 685 | 720 | |
700 | 1650 | 730 | 495 | 1460 | 865 | 980 | 895 | 910 | 960 | 840 | 840 | 875 | 800 | 800 | 820 | |
800 | 1750 | 830 | 530 | 1640 | 925 | 1050 | 1015 | 1025 | 1085 | 950 | 950 | 990 | 905 | 905 | 928 | |














